93 Dodge Dakota Fuse Box Diagram / Power Distribution Center And Fuse Panel Can You Please Give Me - This (like all of our manuals) is available to download.. Everything else oddly you don't list anything in the fuse box that sounds like tail lights to me. Everyone else wants to charge for the info. Owners manual says refer to diagram printed in fusebox. Dodge dakota free workshop and. I have a 92 plymouth voyager and my amazing husband lost the fuse box 91 dodge dakota fuse diagram online wiring diagram.

This image shows the under dash fuse box layout for a 1987 to 1993 ford mustang. Dodge dakota service repair manual dodge dakota pdf. The part that holds brake pads an how do i get one ? What is number one on diagram of front end of dodge dakota. Fuse box diagram (location and assignment of electrical fuses and relays) for dodge dakota (2005, 2006, 2007, 2008, 2009, 2010, 2011).

Dodge Fuse Diagram Page 7
Dodge Fuse Diagram Page 7 from fotohostingtv.ru
Operation refer to the vehicle owner's. This (like all of our manuals) is available to download. I see your signature shows you have a 93, is this for the intercooled/late trucks? Fuse box function fuse number abs 56,59,60,62 active head restraint. What is number one on diagram of front end of dodge dakota. Fuse box diagram 93 dodge dakota 1993 dodge dakota fixya. Everyone else wants to charge for the info. I have a 1993 dodge dakota.

Ignition switch (fuse (passenger compartment):

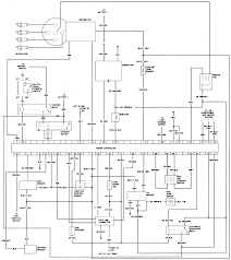
In case anyone else needs it, i scanned in the fuse box diagram that is supposed to come in the front fuse box. 1993 dodge dakota fuel pump fuse box diagram. A part for a dodge dakota 3 answers. Are you looking in the owner's manual or a shop manual? 19.11.2018 19.11.2018 6 comments on 1993 dodge dakota fuse box diagram fuse 15a light blue; Fuse box function fuse number abs 56,59,60,62 active head restraint. This image shows the under dash fuse box layout for a 1987 to 1993 ford mustang. It is a 6cyl and has a 3.9 liter engine. After posting the link below i went on the massive mission to find it. Ignition switch (fuse (passenger compartment): 1, 2, 3, 4), clutch pedal position switch, fuel pump relay (3.9l, 5.7l), auto shut down relay, radiator fan control relay (2.5l), air conditioner compressor clutch relay, starter relay. Fuse box diagrams (location and assignment of electrical fuses and relays) dodge dakota (1996, 1997, 1998, 1999, 2000). 1st gen fuse box diagram.

Fuse box diagrams (location and assignment of electrical fuses and relays) dodge dakota (1996, 1997, 1998, 1999, 2000). No longer have owner's manual. After all of this, i still have the decrease in acceleration, at low rpms, most of the time. Are you looking in the owner's manual or a shop manual? Instrument cluster fuse empty fuse if you are looking for the fuse box diagrams or any other diagrams for.

1988 Dodge Dakota Fuse Box Wiring Diagram Switches Lake Switches Lake Parafarmacialofaro It
1988 Dodge Dakota Fuse Box Wiring Diagram Switches Lake Switches Lake Parafarmacialofaro It from cimg9.ibsrv.net
1993 dodge dakota fuel pump fuse box diagram. It is a 6cyl and has a 3.9 liter engine. Some components may have multiple. Found fuse box no problem not sure which fuse(dh wants to take it to shop) i want to try fuse 1st. I need a fuse box diagram for my 95 dodge dakota. Idle air control valve for dodge pickup truck jeep grand cherokee 4.0/5.2/5.9l (fits: Neither place has a diagram. Looking for fuse layout diagram for 92 dodge dakota pickup.

1st gen fuse box diagram.

I also cleaned the positive battery terminal on the fuse box under the hood. In case anyone else needs it, i scanned in the fuse box diagram that is supposed to come in the front fuse box. 88 dodge dakota workshop, owners, service and repair manuals. Cigar lighter (power outlet) fuses are the fuses №22 and 28 in the power distribution center. I see your signature shows you have a 93, is this for the intercooled/late trucks? Fuse box diagrams (location and assignment of electrical fuses and relays) dodge dakota (1996, 1997, 1998, 1999, 2000). 19.11.2018 19.11.2018 6 comments on 1993 dodge dakota fuse box diagram fuse 15a light blue; After all of this, i still have the decrease in acceleration, at low rpms, most of the time. Fuse #15 in the instrument panel fuse box and fuse #2 (diesel) or #4 (gasoline) in the engine compartment fuse box. I have a 92 plymouth voyager and my amazing husband lost the fuse box 91 dodge dakota fuse diagram online wiring diagram. A part for a dodge dakota 3 answers. I bought a 1999 dodge dakota sport ( v8 ). The part that holds brake pads an how do i get one ?

I need the fuse box diagram. No longer have owner's manual. After posting the link below i went on the massive mission to find it. Idle air control valve for dodge pickup truck jeep grand cherokee 4.0/5.2/5.9l (fits: 332 results for 93 dodge dakota iac.

Dakota Fuse Box Diagram Wiring Diagram All Menu Recruit Menu Recruit Huevoprint It
Dakota Fuse Box Diagram Wiring Diagram All Menu Recruit Menu Recruit Huevoprint It from www.carfusebox.com
After posting the link below i went on the massive mission to find it. I have a 92 plymouth voyager and my amazing husband lost the fuse box 91 dodge dakota fuse diagram online wiring diagram. The part that holds brake pads an how do i get one ? Everything else oddly you don't list anything in the fuse box that sounds like tail lights to me. I need the fuse box diagram. 332 results for 93 dodge dakota iac. Dodge dakota free workshop and. Owners manual says refer to diagram printed in fusebox.

I also cleaned the positive battery terminal on the fuse box under the hood.

Need a fuse diagram for a 93 dodge dakota. Owners manual says refer to diagram printed in fusebox. But, i did find a poster who said that repair books specific to cars are exactly the kind of thing your local library provides for free. I see your signature shows you have a 93, is this for the intercooled/late trucks? So, i searched and searched for an e93 fuse box photo, and found it on ebay seller who is selling theirs. I also cleaned the positive battery terminal on the fuse box under the hood. Idle air control valve for dodge pickup truck jeep grand cherokee 4.0/5.2/5.9l (fits: 1993 dodge dakota fuel pump fuse box diagram. Instrument cluster fuse empty fuse if you are looking for the fuse box diagrams or any other diagrams for. It is a 6cyl and has a 3.9 liter engine. Looking for fuse layout diagram for 92 dodge dakota pickup. Mine is an 06 2500 ,can anyone tell me where i might find a diagram ? Dodge dakota free workshop and.

By